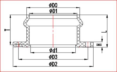
| Size(De) | Dimension(mm) | Noof Screws |
| D0 | D1 | D2 | D3 | d1 | T | H | L |
| 63 | 74.50 | 65.30 | 165.00 | 125.00 | 62.00 | 76.00 | 17.30 | 84.00 | 4 |
| 75 | 88.50 | 77.50 | 185.00 | 145.00 | 73.50 | 84.50 | 18.00 | 92.30 | 4 |
| 90 | 105.30 | 92.50 | 200.00 | 160.00 | 88.50 | 95.00 | 18.80 | 103.00 | 8 |
| 110 | 125.70 | 111.50 | 225.00 | 180.00 | 108.00 | 122.00 | 19.50 | 134.00 | 8 |
| 125 | 142.10 | 127.00 | 250.00 | 210.00 | 123.00 | 135.00 | 21.60 | 135.00 | 8 |
| 160 | 181.50 | 162.30 | 285.00 | 240.00 | 158.00 | 141.00 | 22.80 | 150.00 | 8 |
| 200 | 225.50 | 202.50 | 345.00 | 295.00 | 197.00 | 152.00 | 26.50 | 163.00 | 8 |
| 225 | 250.50 | 227.50 | 345.00 | 295.00 | 221.00 | 139.00 | 30.00 | 153.50 | 8 |
| 250 | 276.50 | 252.30 | 395.00 | 350.00 | 247.00 | 152.00 | 32.00 | 167.50 | 12 |
| 315 | 347.50 | 318.30 | 445.00 | 400.00 | 312.00 | 198.00 | 35.00 | 210.00 | 12 |
| 355 | 388.50 | 359.00 | 510.00 | 460.00 | 326.00 | 235.00 | 38.00 | 210.00 | 16 |
| 400 | 435.00 | 404.00 | 570.00 | 510.00 | 568.20 | 228.00 | 42.50 | 247.00 | 16 |

Hot Tags: Paper Box Jewelry Gift Box, Manufacturers,
Suppliers,
Wholesale, Buy, Factory, Customized, Free Sample, China, Cheap, Newest, Quality,
Advanced